Pacific Marine & Industrial Logo
Pacific Marine & Industrial®       
Manufacturing & Global Distribution: Marine, Industrial & Defense
 
Info@PacificMarine.net ◊ EnEspanol@PacificMarine.net      
 
 
How PM&I Can Help Prevent Delays
  
Free Classified Equipment Ads: Global & Comprehensive
   
Purchase ONLINE Select Products Only
  
 

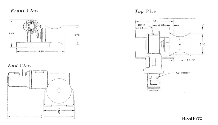
Myte Winch Hoist HY3D

Myte Winch Hoist HY3D

  

Purchase ONLINE Myte Winch Hoist Portable Winch Hoist and Capstans

  

Model HY3D Portable Hydraulic Capstan with Hydraulic Power and 1600 Lbs. Max Pull

 

See version with Bayonet Drive output shaft here.

 

Features

• 800-lb single-line or 1,600-lb double-line lift

• Worm gear reduction for positive load holding

• Portable and rugged

• Needs only 2GPM and 900 psi Hydraulic Power

• Full power reversible

• Control valve available

 

Applications

Designed for material handling usage only.

Utility truck installation

Overhead line crews

Tower and antenna erection

Transformer replacement

 

Construction Features:

• Heavy-duty angle base drilled for four 1/2" bolts (9/16" mounting holes) with no welding required

• Hydraulic motor coupled to gear box input shaft

• Hardened steel worm gear holds load in position when stopped.

• Stress-proof drum shaft

• Frictionless bearings

 

Power:

• 3 Cubic inch high torque rotary hydraulic motor.

• Hydraulic motor coupled to gear box input shaft

• 1/2"-14 NPTF hydraulic connections

 

Pump Requirements:

• 2GPM at 900 psi minimum pump capacity

• 12 GPM at 1500 psi recommended pump capacity

• 2250 psi maximum

 

Hoisting Rope:

Consult your local dealer for type and size of rope.

Maintain at least three wraps of rope on capstan drum when in use.

Heavier loads may require four wraps of rope.

 

Speeds:

Recommend 12GPM at 1500psi

• 29 RPM: No Load

• 39 FPM: 500 lbs

Minimum 2GPM at 900psi

• 5 RPM: No Load

• 5 FPM: 500 lbs

Line speed is dependant on pump system and equipment operator. 

For best results use the recommended supply and allow minimal rope slippage.

 

Duty Cycle:

• 25% – 15 min/hr when operating at full load.

 

Shipping Weight: 60 lbs.

 

Factory-Installed Options: (Email PM&I for Quotes)

• Bayonet output shaft

• 3 position 4 way directional control valve

   
Myte Winch Hoist HY3D
 

Home ] Up ] Myte Winch Hoist 100AB ] Myte Winch Hoist 150AB ] Myte Winch Hoist 10-12 With Clutch ] Myte Winch Hoist 10-12 - No Clutch ] Myte Winch Hoist 20-12 ] Myte Winch Hoist Air1000 ] Myte Winch Hoist HY1D ] Myte Winch Hoist LD100AB ] Myte Winch Hoist AC36B ] Myte Winch Hoist DC48 ] Myte Winch Hoist 520 ] Myte Winch Hoist 510 ] Myte Winch Hoist 30-12 ] Myte Winch Hoist 30-12 Foot Switch ] Myte Winch Hoist 35-12 ] Myte Winch Hoist 300AB ] Myte Winch Hoist 300AB Foot Switch ] Myte Winch Hoist AIR1030 Capstan ] Myte Winch Hoist 402AB Pole Mount ] [ Myte Winch Hoist Hydraulic HY3D ] Myte Winch Hoist Hydraulic HY3D Bayonet ] Myte Winch Hoist 800AB Trolley ] Myte Winch Hoist 800AB Trolley No Limit Switch ] Myte Winch Hoist 80-12 Trolley ] Myte Winch Hoist HAC36B Trolley ] Myte Winch Hoist HDC48 Trolley ]

   
Join PM&I's Email Newsletter List
 
Free Classified Equipment Ads: Global & Comprehensive
  
California ◊ Florida ◊ Shanghai ◊ Germany
Lagos Nigeria ◊ Valparaiso Chile ◊ Dubai UAE
Trusted Since 1985
 
   
PM&I World Wide Community Service  PM&I Partial Client List
  
Pacific Marine & Industrial is
a registered service mark of:
  
Quality Pacific Manufacturing, Inc.
Copyright 1985-2025
 All Rights Reserved - V3