Pacific Marine & Industrial Logo
Pacific Marine & Industrial®       
Manufacturing & Global Distribution: Marine, Industrial & Defense
 
Info@PacificMarine.net ◊ EnEspanol@PacificMarine.net      
 
 
How PM&I Can Help Prevent Delays
  
Free Classified Equipment Ads: Global & Comprehensive
   
Purchase ONLINE Select Products Only
  
 

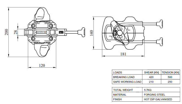
BD-V2/G Hatch Cover Semi Automatic

Container Twist Locks

Class Society Approved: ABS, DNV-GL, CCS and Others

Container Twist Locks

BD-V2/G Semi Automatic Twistlock Large Seat

Forged Cone

   

Purchase ONLINE Small Quantities of Container Lashing

   

Large Seat Semi Automatic Twistlock for Hatch Cover Use

  

Counter Parts: ISO Shipping Cargo Container and Container Foundations with ISO Hole

  

Breaking Load Tension: 500 kN / Breaking Load Shear: 420 kN

Type and Test Class Approved on Request

   

Twistlock Emergency Operation Tool

Twistlock Emergency Operation Tool

 

Container Twist Locks

   

Return to Container Lashing Main Page

  

Purchase ONLINE Small Quantities of Container Lashing

    

Download Complete Container and Cargo Securing Catalog with Drawings

  

Container Lashing Design: Ship or Barge

  

Cargo Securing Manual Approval By Class Society

  

Container Ship Hatch Covers and Lashing Bridges

  

How Do Container Ships Work?

   

Other Related Products:

  

Container Lashing

Cargo Straps

Cargo Chain

Cargo Lashing Points

Container Lashing

Cargo Straps

Cargo Chains & Tensioners

Cargo Lashing Points

   

 

 

 

Container Lifting Systems

new shipping container for sale

Shipping Container Parts

Shipping Container Casters - Shipping Container Dolly Wheels

Container Lifting & Towing

New Shipping Containers

Shipping Container Parts

Shipping Container Casters

   

Similar Design and Function Cross Reference:

 

GLS BD-V2G

MacGregor CV-20G


Home ] Up ] Container Twist Lock - BD-J1 ] Container Twist Lock - BD-J2 ] Container Twist Lock - BD-V2 ] [ Container Twist Lock - BD-V2G ] Container Twist Lock - BD-SL ] Container Twist Lock - NA-3J ] Container Twist Lock Operation Rods ] Container Twist Lock - BD-A2 ] Container Twist Lock - BD-C1 ] Container Twist Lock - BD-E1 ] Container Twist Lock - BD-G1 ] AAR Approved Container Twist Lock - BD-R1 ] Container Twist Lock - RO-RO ] Container Twist Lock - BD-B1 ] Container Twist Lock - BD-H1 ] Container Twist Lock Weldable - BD-E1 and BD-G1 ] Container Twist Lock - BD-D1 ]

   
Join PM&I's Email Newsletter List
 
Free Classified Equipment Ads: Global & Comprehensive
  
California ◊ Florida ◊ Shanghai ◊ Germany
Lagos Nigeria ◊ Valparaiso Chile ◊ Dubai UAE
Trusted Since 1985
 
   
PM&I World Wide Community Service  PM&I Partial Client List
  
Pacific Marine & Industrial is
a registered service mark of:
  
Quality Pacific Manufacturing, Inc.
Copyright 1985-2025
 All Rights Reserved - V3