Pacific Marine & Industrial Logo
Pacific Marine & Industrial®       
Manufacturing & Global Distribution: Marine, Industrial & Defense
 
Info@PacificMarine.net ◊ EnEspanol@PacificMarine.net      
 
 
How PM&I Can Help Prevent Delays
  
Free Classified Equipment Ads: Global & Comprehensive
   
Purchase ONLINE Select Products Only
  
 

Extruded Rubber Marine Fender

WD Series - Wing Type with D Bore

Pier Fender, Dock Fender, Boat Fender, Industrial Fender

wing with d bore marine rubber fenders
    
Load Curves - Wing with D Bore Marine Rubber Fender
    

Cross Section Sizes Per Chart Below

Cut To Length as Desired 

Maximum Length: 20 Feet in Most Cases 

Pre Drilled Mounting Holes if Desired

Pre Curved to Match Radius if Desired 

High Quality Black or Non Marking Grey EPDM

Standard Hardness of 75 Durometer

Custom Materials and Cross Sections Available

   

Purchase ONLINE Select Marine Fenders

 

Information Required to Quote Extruded Marine Rubber Fenders

  

Download Marine Extruded Rubber Fender Catalog

  

Marine Extruded Rubber Fender Compound Specifications

   

How to Size Marine Extruded Rubber Fenders

  

Extruded Rubber Fender Profiles

  

Extruded Marine Fender Tolerance Table

 
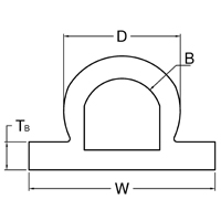
wing with d bore marine rubber fenders  With with D Bore Marine Rubber Fender
   

Part

 Width

Diameter

Bore

Thickness Base

Number

W

D

B

TB

WD-6-3-11

6

3

1 x 1

3/4

WD-6.5-4-22

6 1/2

4

2 x 2

1

WD-6.5-4-11

6 1/2

4

1 x 1

1

WD-9.5-6-22

9 1/2

6

2 x 2

1 1/2

WD-9-6-33

9

6

3 x 3

1 1/2

WD-9.5-6-44

9 1/2

6

4 x 4

1 1/2

WD-12-8-44

12

8

4 x 4

2

WD-16-10-33

16

10

3 x 3

2 1/2

WD-16-10-44

16

10

4 x 4

2 1/2

WD-18-12-66

18

12

6 x 6

3

   
All Measurements in Inches
   
Custom and Modified Cross Sections Available

    

Return to Marine Fender Main Page

   

Extruded Rubber Fender

Panel Marine Fender

Foam Marine Fender

UHMW Marine Fender

Polyform Boat Fender - Polyform Buoy

Extruded Rubber Fender

Cone & Leg Fender

Foam Filled Fender

UHMW Fender

Polyform Boat Fender

  

Pneumatic Marine Fender

Roller Fender

Arch Marine Fender

Push Knee Marine Fender

tugboat used tire fenders

Pneumatic Fenders

Roller Fender

Arch Fender

Push Knee Tow Knee

Used Tire Fender

   


Home ] Up ] D with O Bore Marine Rubber Fender ] D with D Bore Marine Rubber Fender ] D wtih Key Bore Marine Rubber Fender ] D wtih Taper and D Bore Marine Rubber Fender ] Cylindrical Marine Rubber Fender ] Cylindrical with Chain Marine Rubber Fender ] Wing with O Bore Marine Rubber Fender ] [ Wing with D Bore Marine Rubber Fender ] Wing with No Bore Marine Rubber Fender ] Square with O Bore Marine Rubber Fender ] Square with D Bore Marine Rubber Fender ] Square wtih No Bore Marine Rubber Fender ] Square with Chain Thru Marine Rubber Fender ] Trapezoidal R Marine Rubber Fender ] Trapezoidal W Marine Rubber Fender ] V Series Marine Rubber Fender ] Fan Nose Marine Rubber Fender ] Channel Lock Marine Rubber Fender ] Flat Head Marine Rubber Fender ] Corner Guard Marine Rubber Fender ] Marine Fender Rubber Compounds - Black and Grey EPDM ]

   
Join PM&I's Email Newsletter List
 
Free Classified Equipment Ads: Global & Comprehensive
  
California ◊ Florida ◊ Shanghai ◊ Germany
Lagos Nigeria ◊ Valparaiso Chile ◊ Dubai UAE
Trusted Since 1985
 
   
PM&I World Wide Community Service  PM&I Partial Client List
  
Pacific Marine & Industrial is
a registered service mark of:
  
Quality Pacific Manufacturing, Inc.
Copyright 1985-2025
 All Rights Reserved - V3