Pacific Marine & Industrial Logo
Pacific Marine & Industrial®       
Manufacturing & Global Distribution: Marine, Industrial & Defense
 
Info@PacificMarine.net ◊ EnEspanol@PacificMarine.net      
 
 
How PM&I Can Help Prevent Delays
  
Free Classified Equipment Ads: Global & Comprehensive
   
Purchase ONLINE Select Products Only
  
 

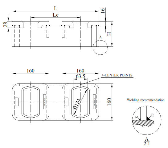
AC-B2 Double Raised Container Foundation

Class Society Approved: ABS, DNV-GL, CCS and Others

Raised Container Foundation Double
   AC-B2 Double Raised Container Foundation
   

Purchase ONLINE Small Quantities of Container Lashing

   

Part Numbers:

Height

Centers Status

AC-B2/110/203 (Standard)

110mm 203mm In Stock
AC-B2/110/216 110mm 216mm In Stock
AC-B2/110/258 110mm 258mm In Stock
AC-B2/XXX/XXX XXX as Needed XXX as Needed Special Order
    

Weld to the deck or hatch cover.

 

Industry Standard is 110 mm height and 203 mm ISO hole center to center distance

Other ISO hole center to center distances are available (197, 216, 258, etc)

  

Special height and distance available upon request

   

Elongated Hole Foundations available here: Elongated Foundations

 

Counter parts: Container Securing Twistlocks or Container Midlock

  

Type and Test Class Approved on Request

 

raised double container foundation

  

Return to Container Lashing Main Page

  

Purchase ONLINE Small Quantities of Container Lashing

    

Download Complete Container and Cargo Securing Catalog with Drawings

  

Container Lashing Design: Ship or Barge

  

Cargo Securing Manual Approval By Class Society

  

Container Ship Hatch Covers and Lashing Bridges

  

How Do Container Ships Work?

   

Other Related Products:

  

Container Lashing

Cargo Straps

Cargo Chain

Cargo Lashing Points

Container Lashing

Cargo Straps

Cargo Chains & Tensioners

Cargo Lashing Points

   

 

 

 

Container Lifting Systems

new shipping container for sale

Shipping Container Parts

Shipping Container Casters - Shipping Container Dolly Wheels

Container Lifting & Towing

New Shipping Containers

Shipping Container Parts

Shipping Container Casters

   

Similar Design and Function Cross Reference:

 

GLS AC-B2/B

GLS AC-B2/D/203

MacGregor  TF-12A

MacGregor TF-AFC-12A

MacGregor TF-12B

MacGregor TF-AFC-12B

Taiyo I-31

SEC SF-2

SEC SF-C1

German Lashings RS11.2

Lucky Sea A5-2C-H

Lucky Sea A5-2D

SC Lashings RF-2

All Set D92B

Taiyo I-51

MEC A4.2

Peck and Hale F771

    


Home ] Up ] Single Raised Container Foundation ] [ Double Raised Container Foundation ] Double Transversal Raised Container Foundation ] Quadruple Raised Container Foundation ]

   
Join PM&I's Email Newsletter List
 
Free Classified Equipment Ads: Global & Comprehensive
  
California ◊ Florida ◊ Shanghai ◊ Germany
Lagos Nigeria ◊ Valparaiso Chile ◊ Dubai UAE
Trusted Since 1985
 
   
PM&I World Wide Community Service  PM&I Partial Client List
  
Pacific Marine & Industrial is
a registered service mark of:
  
Quality Pacific Manufacturing, Inc.
Copyright 1985-2025
 All Rights Reserved - V3