Pacific Marine & Industrial Logo
Pacific Marine & Industrial®       
Manufacturing & Global Distribution: Marine, Industrial & Defense
 
Info@PacificMarine.net ◊ EnEspanol@PacificMarine.net      
 
 
How PM&I Can Help Prevent Delays
  
Free Classified Equipment Ads: Global & Comprehensive
   
Purchase ONLINE Select Products Only
  
 

Hannay Pressure Washing Hose Reels

PW-2 Pressure Washing Hose Reel

PW-2 Manual Rewind Pressure Wash Reel
Model PW-2 Pressure Wash Reel
To Handle 3/8 or 1/2 Inch ID Hose
Up To 4000 PSI
Manual Rewind
   

Information Required to Quote Hose or Cable Reels

   

Purchase ONLINE Select Stock Hose and Cable Reels

    

Hose and Line Reel Color Choices

   
Features:

Manual rewind reel

To handle single 3/8" or 1/2" I.D. hose.

• Lightweight, compact and versatile, the PW Series designed for mobile and portable pressure wash equipment.

• Permanent direct crank rewind .

• Adjustable split bearing brake assembly.

• Standard inlet full-flow swivel joint with 1/2" NPT fitting.

• Standard outlet 1/2" female NPT fitting supplied with 1/2" MNPT to 3/8" FNPT reducing bushing.

• Other sizes and/or threads can be furnished and must be specified.

• Pressures up to 4000 psi (276 bar).

• Product temperatures from +20°F to +400°F (-7°C to + 204°C).

• Consult factory for other temperatures.

• Specify mounting position when ordering mounting kits.

• Black powder coat finish.

• Stainless steel construction (and internals) available – consult factory.

   
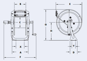
PW-2 Pressure Washing Hose Reel Drawing
   
PW-2 Series Pressure Washing Hose Reel Chart
   
PW-2 Pressure Washing Hose Reel Notes
   

Home ] Up ] Hannay PW Series Pressure Washing Hose Reels ] [ Hannay PW-2 Pressure Washing Hose Reels ] Hannay N700 Series Pressure Washing Hose Reels ] Hannay 1000 Series Pressure Washing Hose Reels ] Hannay 1500 Series Pressure Washing Hose Reels ] Hannay 1800 Series Pressure Washing Hose Reels ] Hannay 4000 Series Pressure Washing Hose Reels ] Hannay 6000 Series Pressure Washing Hose Reels ] Hannay 1100 Series Portable Pressure Washing Hose Reels ] Hannay AT1200 Portable Pressure Washing Hose Reels ] Hannay RM Series Remote Control Pressure Washing Hose Reels ] Hannay HG-15 Hose Guide ]

   
Join PM&I's Email Newsletter List
 
Free Classified Equipment Ads: Global & Comprehensive
  
California ◊ Florida ◊ Shanghai ◊ Germany
Lagos Nigeria ◊ Valparaiso Chile ◊ Dubai UAE
Trusted Since 1985
 
   
PM&I World Wide Community Service  PM&I Partial Client List
  
Pacific Marine & Industrial is
a registered service mark of:
  
Quality Pacific Manufacturing, Inc.
Copyright 1985-2025
 All Rights Reserved - V3