Pacific Marine & Industrial Logo
Pacific Marine & Industrial®       
Manufacturing & Global Distribution: Marine, Industrial & Defense
 
Info@PacificMarine.net ◊ EnEspanol@PacificMarine.net      
 
 
How PM&I Can Help Prevent Delays
  
Free Classified Equipment Ads: Global & Comprehensive
   
Purchase ONLINE Select Products Only
  
 

Hannay Pressure Washing Hose Reels

Series 1000 Pressure Washing Hose Reel

Series 1000 Pressure Wash Reel
Series 1000 Pressure Wash Reel
To Handle 1/4 or 3/8 Inch ID Hose
Pressure up to 3000 psi
Manual Rewind
   

Information Required to Quote Hose or Cable Reels

   

Purchase ONLINE Select Stock Hose and Cable Reels

    

Hose and Line Reel Color Choices

   
Features:

To handle single 1/4" or 3/8" I.D. hose.

• Lightweight

• Compact

• Direct crank rewind permanently attached.

• Adjustable cam-lock brake standard.

• Optional pin lock available.

• Standard inlet 90° ball bearing swivel joint 1/2" female NPT threads.

• Standard outlet 3/8" female NPT threads, 1/2" available upon request.

• Pressures to 3000 psi (207 bar).

• Temperatures from +20° F to +400° F (-7° C to +204° C).

• Consult factory for other pressures & temps.

   
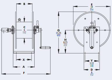
Series 1000 Pressure Washing Hose Reel Drawing
   
Series 1000 Pressure Washing Hose Reel Chart
   
Pressure Washing Hose Reel Series 1000 Notes
   

Home ] Up ] Hannay PW Series Pressure Washing Hose Reels ] Hannay PW-2 Pressure Washing Hose Reels ] Hannay N700 Series Pressure Washing Hose Reels ] [ Hannay 1000 Series Pressure Washing Hose Reels ] Hannay 1500 Series Pressure Washing Hose Reels ] Hannay 1800 Series Pressure Washing Hose Reels ] Hannay 4000 Series Pressure Washing Hose Reels ] Hannay 6000 Series Pressure Washing Hose Reels ] Hannay 1100 Series Portable Pressure Washing Hose Reels ] Hannay AT1200 Portable Pressure Washing Hose Reels ] Hannay RM Series Remote Control Pressure Washing Hose Reels ] Hannay HG-15 Hose Guide ]

   
Join PM&I's Email Newsletter List
 
Free Classified Equipment Ads: Global & Comprehensive
  
California ◊ Florida ◊ Shanghai ◊ Germany
Lagos Nigeria ◊ Valparaiso Chile ◊ Dubai UAE
Trusted Since 1985
 
   
PM&I World Wide Community Service  PM&I Partial Client List
  
Pacific Marine & Industrial is
a registered service mark of:
  
Quality Pacific Manufacturing, Inc.
Copyright 1985-2025
 All Rights Reserved - V3