Pacific Marine & Industrial Logo
Pacific Marine & Industrial®       
Manufacturing & Global Distribution: Marine, Industrial & Defense
 
Info@PacificMarine.net ◊ EnEspanol@PacificMarine.net      
 
 
How PM&I Can Help Prevent Delays
  
Free Classified Equipment Ads: Global & Comprehensive
   
Purchase ONLINE Select Products Only
  
 

Hannay Pressure Washing Hose Reels

Pressure Washing Hose Reel N700

Series N700 Pressure Wash Hose Reel
Series N700 Pressure Wash Reel
To Handle 1/4 through 1/2 ID Hose
Up to 10000 PSI
Spring Rewind
   

Information Required to Quote Hose or Cable Reels

   

Purchase ONLINE Select Stock Hose and Cable Reels

    

Hose and Line Reel Color Choices

   
Features:

To handle 1/4" through 1/2" I.D. hose.

• Standard N Series has a narrow frame and compact mounting base.

• Non sparking ratchet assembly.

• Declutching arbor to prevent damage from reverse winding.

• Standard inlet 90° balanced pressure swivel joint 1/2" female NPT threads.

• Standard outlet 1/2" female NPT threads.

• Standard Pressures to 3000 psi (207 bar) (available up to10,000 psi 690 bar).

• Temperatures from -60° F to +250° F (-51° C to +121° C).

• Consult PM&I for other pressures & temps.

• 4-way roller assembly.

• Constant Tension is available – consult PM&I

   
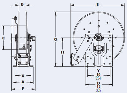
Pressure Washing Hose Reels N700 Drawing
   
N700 Pressure Washing Hose Reel Chart
   
Pressure Washing Hose Reels N700
   

Home ] Up ] Hannay PW Series Pressure Washing Hose Reels ] Hannay PW-2 Pressure Washing Hose Reels ] [ Hannay N700 Series Pressure Washing Hose Reels ] Hannay 1000 Series Pressure Washing Hose Reels ] Hannay 1500 Series Pressure Washing Hose Reels ] Hannay 1800 Series Pressure Washing Hose Reels ] Hannay 4000 Series Pressure Washing Hose Reels ] Hannay 6000 Series Pressure Washing Hose Reels ] Hannay 1100 Series Portable Pressure Washing Hose Reels ] Hannay AT1200 Portable Pressure Washing Hose Reels ] Hannay RM Series Remote Control Pressure Washing Hose Reels ] Hannay HG-15 Hose Guide ]

   
Join PM&I's Email Newsletter List
 
Free Classified Equipment Ads: Global & Comprehensive
  
California ◊ Florida ◊ Shanghai ◊ Germany
Lagos Nigeria ◊ Valparaiso Chile ◊ Dubai UAE
Trusted Since 1985
 
   
PM&I World Wide Community Service  PM&I Partial Client List
  
Pacific Marine & Industrial is
a registered service mark of:
  
Quality Pacific Manufacturing, Inc.
Copyright 1985-2025
 All Rights Reserved - V3