Pacific Marine & Industrial Logo
Pacific Marine & Industrial®       
Manufacturing & Global Distribution: Marine, Industrial & Defense
 
Info@PacificMarine.net ◊ EnEspanol@PacificMarine.net      
 
 
How PM&I Can Help Prevent Delays
  
Free Classified Equipment Ads: Global & Comprehensive
   
Purchase ONLINE Select Products Only
  
 

Hannay Pressure Washing Hose Reels

Series AT1200 Portable Pressure Washing Hose Reel

Series AT1200 Portable Pressure Wash Hose Reel

Series AT1200 Portable Pressure Wash Reel

To Handle 1/2 Through 1 Inch ID Hose 
Pressure up to 1000 psi
Manual Rewind

       

Information Required to Quote Hose or Cable Reels

   

Purchase ONLINE Select Stock Hose and Cable Reels

    

Hose and Line Reel Color Choices

    

• Continuous flow reels with swivel joint inlet, fluid hub, outlet riser.

• Standard with cam-lock brake, and pneumatic tires.

• Direct crank rewind.

• One-piece foot, and removable steel handlebar.

• Permanently attached crank.

• Model AT1200 –standard inlet 90° balance pressure swivel joint 1" female NPT threads.

• Standard outlet is 1" female NPT threads.

• Operates at pressures to 1000 psi.

• Temperatures from -40° F to +250° F (-40° C to +121° C).

• Consult factory for other pressures & temps.

• Optional GH Prefix to model # (e.g. GHAT1200) includes garden hose thread on outlet, 5' lead-in hose, hose end clips.

• Stainless steel construction (and internals) available – consult PM&I.

   
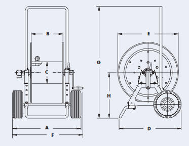
AT1200 Series Portable Pressure Washing Hose Reel - Drawing
   
AT1200 Series Portable Pressure Washing Hose Reel
   
AT1200 Series Portable Pressure Washing Hose Reel - Notes
   

Home ] Up ] Hannay PW Series Pressure Washing Hose Reels ] Hannay PW-2 Pressure Washing Hose Reels ] Hannay N700 Series Pressure Washing Hose Reels ] Hannay 1000 Series Pressure Washing Hose Reels ] Hannay 1500 Series Pressure Washing Hose Reels ] Hannay 1800 Series Pressure Washing Hose Reels ] Hannay 4000 Series Pressure Washing Hose Reels ] Hannay 6000 Series Pressure Washing Hose Reels ] Hannay 1100 Series Portable Pressure Washing Hose Reels ] [ Hannay AT1200 Portable Pressure Washing Hose Reels ] Hannay RM Series Remote Control Pressure Washing Hose Reels ] Hannay HG-15 Hose Guide ]

   
Join PM&I's Email Newsletter List
 
Free Classified Equipment Ads: Global & Comprehensive
  
California ◊ Florida ◊ Shanghai ◊ Germany
Lagos Nigeria ◊ Valparaiso Chile ◊ Dubai UAE
Trusted Since 1985
 
   
PM&I World Wide Community Service  PM&I Partial Client List
  
Pacific Marine & Industrial is
a registered service mark of:
  
Quality Pacific Manufacturing, Inc.
Copyright 1985-2025
 All Rights Reserved - V3