Pacific Marine & Industrial Logo
Pacific Marine & Industrial®       
Manufacturing & Global Distribution: Marine, Industrial & Defense
 
Info@PacificMarine.net ◊ EnEspanol@PacificMarine.net      
 
 
How PM&I Can Help Prevent Delays
  
Free Classified Equipment Ads: Global & Comprehensive
   
Purchase ONLINE Select Products Only
  
 

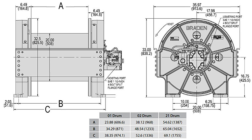
Braden Winch CH400 Series

CH400 Series Construction Hoist

Braden Winch
   
The CH165 Series planetary winch is a high performance product designed to provide many years of service. 
   
Braden Winch CH400B Sales Flyer
   
Braden Winch CH400B Series Materials List
   
Braden Winch CH400B Install, Maintenance & Service Manual
   
Purchase ONLINE Selected Braden Winch from Stock
    

Information Needed to Quote Hydraulic Hoist and Hydraulic Winches

  

How to Size a Winch or Hoist

   
Braden Winch Serial Number Location
   
Standard Features:
Multi-disc Brake - Spring applied and hydraulically released
Anti-friction bearings for maximum efficiency
Multi-stage planetary reduction
  
Options:
Gear Ratios
Hydraulic Motors (Gear, Vain, Piston)
Drum Sizes
Mounting Configurations
Free Fall Hydraulic Winch - Hoist
Controlled Free Fall Hydraulic Winch - Hoist
   Ratchet and Pawl
   
Model Rated Capacity Weight
CH400B 40,000 lbs (18,140 kg) 2,800 lbs (1,270 kg)
   
Below models represent only a small number of gearbox, motor and drum size configurations.
Contact PM&I for complete product information including sizing your new winch: info@pacificmarine.net

Performance and dimensions may have changed.  Be sure to review prior to purchase.
   
Braden Winch CH400 Series  Braden Winch CH400 Series  Braden Winch CH400 Series
   
Braden Winch CH400 Series  Braden Winch CH400 Series
   
Braden Winch CH400 Series
   
Braden Winch CH400 Series
   

Other Related Products:


  

hydraulic winches and hoists

electric winches and hoists

Light Industrial Pneumatic Winch and Hoist

Hand Winch and Hand Hoist

ship mooring winches

Hydraulic Winch & Hoist

Electric Winch & Hoist

Pneumatic Winch & Hoist

Hand Winches & Hoist

Ship Mooring Winches

    

Winches and Hoists: Chain Hoists

Industrial Marine Capstan

I beam crane hoist

David Crane Hoist

Marine Quick Release Hook with Capstan

Chain Hoists & Trolley

Marine Capstans

I Beam Crane Hoists 

Davit Cranes 

Quick Release Hooks


Home ] Up ] Braden Winch CH165 Series ] Braden Winch CH175 Series ] Braden Winch CH210 Series ] Braden Winch CH230 Series ] Braden Winch CH240 Series ] Braden Winch CH280 Series ] [ Braden Winch CH400 Series ] Braden Winch CH640 Series ]

   
Join PM&I's Email Newsletter List
 
Free Classified Equipment Ads: Global & Comprehensive
  
California ◊ Florida ◊ Shanghai ◊ Germany
Lagos Nigeria ◊ Valparaiso Chile ◊ Dubai UAE
Trusted Since 1985
 
   
PM&I World Wide Community Service  PM&I Partial Client List
  
Pacific Marine & Industrial is
a registered service mark of:
  
Quality Pacific Manufacturing, Inc.
Copyright 1985-2025
 All Rights Reserved - V3