Pacific Marine & Industrial Logo
Pacific Marine & Industrial®       
Manufacturing & Global Distribution: Marine, Industrial & Defense
 
Info@PacificMarine.net ◊ EnEspanol@PacificMarine.net      
 
 
How PM&I Can Help Prevent Delays
  
Free Classified Equipment Ads: Global & Comprehensive
   
Purchase ONLINE Select Products Only
  
 

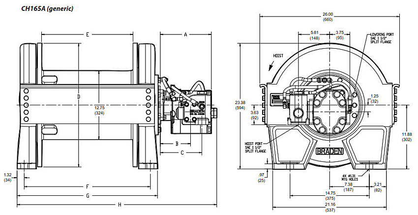
Braden Winch CH165 Series

CH165 Series Construction Hoist

Braden Winch
   
The CH165 Series planetary winch is a high performance product designed to provide many years of service. 
   
Braden Winch CH165A Sales Flyer
   
Braden Winch CH165A CH230B Series Materials List
   
Braden Winch CH165A CH175B CH230B Install, Maintenance & Service Manual
   
Purchase ONLINE Selected Braden Winch from Stock
    

Information Needed to Quote Hydraulic Hoist and Hydraulic Winches

  

How to Size a Winch or Hoist

   
Braden Winch Serial Number Location
   
Standard Features:
Multi-disc Brake - Spring applied and hydraulically released
Anti-friction bearings for maximum efficiency
Multi-stage planetary reduction
 
Options:
Gear Ratios
Hydraulic Motors (Gear, Vain, Piston)
Drum Sizes
Mounting Configurations
Free Fall Hydraulic Winch - Hoist
Controlled Free Fall Hydraulic Winch - Hoist
   Ratchet and Pawl
   
Model Rated Capacity Weight
CH165A 16,500 lbs (7,484 kg) 940 lbs (426 kg)
   
Below models represent only a small number of gearbox, motor and drum size configurations.
Contact PM&I for complete product information including sizing your new winch: info@pacificmarine.net

Performance and dimensions may have changed.  Be sure to review prior to purchase.
   
Braden Winch CH165 Series
   
DRUM Capacity:
   
   
   
   

Other Related Products:


  

hydraulic winches and hoists

electric winches and hoists

Light Industrial Pneumatic Winch and Hoist

Hand Winch and Hand Hoist

ship mooring winches

Hydraulic Winch & Hoist

Electric Winch & Hoist

Pneumatic Winch & Hoist

Hand Winches & Hoist

Ship Mooring Winches

    

Winches and Hoists: Chain Hoists

Industrial Marine Capstan

I beam crane hoist

David Crane Hoist

Marine Quick Release Hook with Capstan

Chain Hoists & Trolley

Marine Capstans

I Beam Crane Hoists 

Davit Cranes 

Quick Release Hooks


Home ] Up ] [ Braden Winch CH165 Series ] Braden Winch CH175 Series ] Braden Winch CH210 Series ] Braden Winch CH230 Series ] Braden Winch CH240 Series ] Braden Winch CH280 Series ] Braden Winch CH400 Series ] Braden Winch CH640 Series ]

   
Join PM&I's Email Newsletter List
 
Free Classified Equipment Ads: Global & Comprehensive
  
California ◊ Florida ◊ Shanghai ◊ Germany
Lagos Nigeria ◊ Valparaiso Chile ◊ Dubai UAE
Trusted Since 1985
 
   
PM&I World Wide Community Service  PM&I Partial Client List
  
Pacific Marine & Industrial is
a registered service mark of:
  
Quality Pacific Manufacturing, Inc.
Copyright 1985-2025
 All Rights Reserved - V3