Pacific Marine & Industrial Logo
Pacific Marine & Industrial®       
Manufacturing & Global Distribution: Marine, Industrial & Defense
 
Info@PacificMarine.net ◊ EnEspanol@PacificMarine.net      
 
 
How PM&I Can Help Prevent Delays
  
Free Classified Equipment Ads: Global & Comprehensive
   
Purchase ONLINE Select Products Only
  
 

Hannay Welding Hose Reels

TWCR Dual Arc Welding Hose Reels

TWCR Duel Arc Welding Hose Reels
TWCR Welding Hose Reels

Dual Arc Welding Reel

Manual Rewind

To handle #1 through 4/0 cable to 400 amps.

 

Information Required to Quote Hose or Cable Reels

   

Purchase ONLINE Select Stock Hose and Cable Reels

    

Hose and Line Reel Color Choices

   

• Designed to handle grounding and arc welding leads on the same reel unit.

• Two independent spools to hold separate lengths of welding cable.

• 400 amp rotary electrical device for instant and constant use.

• Long-wearing Delrin bearings provide electrical insulation and lube-free ease of operation.

• Gear driven crank rewind with a removable handle.

• Pinion brake is standard.

   
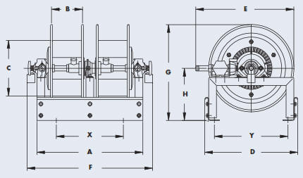
TWCR Welding Hose Reels Drawing
   
TWCR Welding Hose Reels
   
TWCR Welding Hose Reels Notes
   

Home ] Up ] Hannay SWCR WCR Welding Hose Reels ] [ Hannay TWCR Welding Hose Reels ] Hannay WCR 11-17-19 Welding Hose Reels ] Hannay N400 Welding Hose Reels ] Hannay Series 2400 Welding Hose Reels ] Hannay Series G2400 Welding Hose Reels ]

   
Join PM&I's Email Newsletter List
 
Free Classified Equipment Ads: Global & Comprehensive
  
California ◊ Florida ◊ Shanghai ◊ Germany
Lagos Nigeria ◊ Valparaiso Chile ◊ Dubai UAE
Trusted Since 1985
 
   
PM&I World Wide Community Service  PM&I Partial Client List
  
Pacific Marine & Industrial is
a registered service mark of:
  
Quality Pacific Manufacturing, Inc.
Copyright 1985-2025
 All Rights Reserved - V3