Pacific Marine & Industrial Logo
Pacific Marine & Industrial®       
Manufacturing & Global Distribution: Marine, Industrial & Defense
 
Info@PacificMarine.net ◊ EnEspanol@PacificMarine.net      
 
 
How PM&I Can Help Prevent Delays
  
Free Classified Equipment Ads: Global & Comprehensive
   
Purchase ONLINE Select Products Only
  
 

Hannay Welding Hose Reels

SWCR WCR ARC Welding Hose Reels

SWCR and WCR Welding Hose Reels
SWCR WCR Welding Hose Reels

Arc Welding Reel

Power or Manual Rewind

To handle #2 through 4/0 cable to 400 amps.

   

Information Required to Quote Hose or Cable Reels

   

Purchase ONLINE Select Stock Hose and Cable Reels

    

Hose and Line Reel Color Choices

   

• 400 amp rated rotary electrical device.

• Instant use with any cable length unwound.

• For use with single conductor electrode cable or grounding lead.

• Quick connection to your welder.

• 4-way roller assembly. Roller position must be specified.

• Easy access and greaseable zerk fitting.

   

WCR Model

• Gear driven crank rewind, chain & sprocket powered by an

electric, hydraulic or compressed air motor or spring rewind.

• Auxiliary rewind and Pinion brake standard.

• Chain guards are available, must be specified.

   

SWCR Model

• Non sparking ratchet assembly.

• Declutching arbor is provided to prevent damage from reverse winding.

• A cable stop should be used.

   
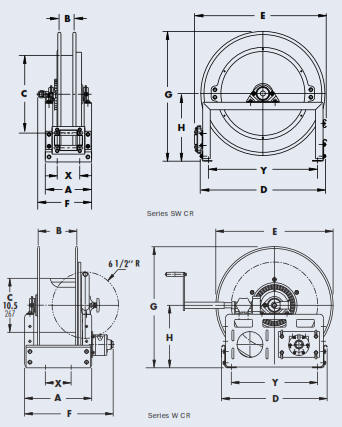
WCR and SWCR Welding Hose Reels Drawing
 
WCR and SWCR Welding Hose Reels 
   
WCR and SWCR Welding Hose Reel Notes
   

Home ] Up ] [ Hannay SWCR WCR Welding Hose Reels ] Hannay TWCR Welding Hose Reels ] Hannay WCR 11-17-19 Welding Hose Reels ] Hannay N400 Welding Hose Reels ] Hannay Series 2400 Welding Hose Reels ] Hannay Series G2400 Welding Hose Reels ]

   
Join PM&I's Email Newsletter List
 
Free Classified Equipment Ads: Global & Comprehensive
  
California ◊ Florida ◊ Shanghai ◊ Germany
Lagos Nigeria ◊ Valparaiso Chile ◊ Dubai UAE
Trusted Since 1985
 
   
PM&I World Wide Community Service  PM&I Partial Client List
  
Pacific Marine & Industrial is
a registered service mark of:
  
Quality Pacific Manufacturing, Inc.
Copyright 1985-2025
 All Rights Reserved - V3