Pacific Marine & Industrial Logo
Pacific Marine & Industrial®       
Manufacturing & Global Distribution: Marine, Industrial & Defense
 
Info@PacificMarine.net ◊ EnEspanol@PacificMarine.net      
 
 
How PM&I Can Help Prevent Delays
  
Free Classified Equipment Ads: Global & Comprehensive
   
Purchase ONLINE Select Products Only
  
 

Hannay Industrial Hose Reel

AT1100 and AT1200 Portable Hose Reel 

1100 and AT1200 Portable Hose Reel
AT1100 and AT1200 Portable Hose Reel 
For 3/8 through 1 Inch ID Hose 
Manual Rewind
Up to 3000 psi and 400 F Temp
      

Information Required to Quote Hose or Cable Reels

   

Purchase ONLINE Select Stock Hose and Cable Reels

    

Hose and Line Reel Color Choices

   

• Continuous flow reels with swivel joint inlet, fluid hub, outlet riser.

• Direct crank rewind and cam-lock brake.

• One-piece foot, and removable steel handlebar.

• Permanently attached crank.

• GH Prefix to model # (e.g. GH1100, GHAT1200) includes garden hose thread on outlet, 5' lead-in hose, hose end clips.

   
Model 1100

 – standard inlet 90° ball bearing swivel joint 1/2" female NPT threads.

• Standard outlet is 1/2" female NPT threads.

• Pressures to 3000 psi (207 bar).

• Temperatures from +20° F to +400° F (-7° C to +204° C).

• Comes with rubber tires.

   
Model AT1200

 –standard inlet 90° balance pressure swivel joint 1" female NPT threads.

• Standard outlet is 1" female NPT threads.

• Operates at pressures to 1000 psi (69 bar).

• Temperatures from -40° F to +250° F (-40° C to +121° C).

• Consult factory for other pressures & temps.

• Comes with pneumatic tires.

   
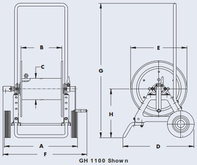
AT1100 and AT1200 Industrial Hose Reel Drawing
   
Industrial Hose Reel AT1100 and AT1200 Chart
   
AT1100 and AT1200 Industrial Hose Reel Notes
   

Home ] Up ] Hannay N500 High Pressure Heavy Duty Industrial Hose Reel ] Hannay N600 Dual Heavy Duty Industrial Hose Reel ] Hannay 600 Series Dual Heavy Duty Industrial Hose Reel ] Hannay N700 Heavy Duty Industrial Hose Reel ] Hannay 700 Series Heavy Duty Industrial Hose Reel ] Hannay N800 Heavy Duty Industrial Hose Reel ] Hannay 800 Series Heavy Duty Industrial Hose Reel ] Hannay 900 Series Heavy Duty Industrial Hose Reel ] Hannay AG Series Heavy Duty Industrial Hose Reel ] Hannay 1000 Series Heavy Duty Industrial Hose Reel ] Hannay 1500 Series Heavy Duty Industrial Hose Reel ] Hannay 1800 Series Heavy Duty Industrial Hose Reel ] Hannay 2000 Series Heavy Duty Industrial Hose Reel ] Hannay G2000 Series Heavy Duty Industrial Hose Reel ] Hannay 3000 Series Heavy Duty Industrial Hose Reel ] Hannay 3500 Series Heavy Duty Industrial Hose Reel ] Hannay 4000 Series Heavy Duty Industrial Hose Reel ] Hannay 4100 Series Heavy Duty Industrial Hose Reel ] Hannay 6000 Series Heavy Duty Industrial Hose Reel ] Hannay 7000 Series Heavy Duty Industrial Hose Reel ] Hannay 7500 Series Heavy Duty Industrial Hose Reel ] Hannay 8000 Series Heavy Duty Industrial Hose Reel ] Hannay 9000 Series Heavy Duty Industrial Hose Reel ] [ Hannay AT1100 and AT1200 Series Portable Heavy Duty Industrial Hose Reel ] Hannay C1150 and ATC1250 Portable Heavy Duty Industrial Hose Reel ] Hannay C1500 Heavy Duty Industrial Storage Reel ] Hannay C3200 Heavy Duty Industrial Storage Reel ]

   
Join PM&I's Email Newsletter List
 
Free Classified Equipment Ads: Global & Comprehensive
  
California ◊ Florida ◊ Shanghai ◊ Germany
Lagos Nigeria ◊ Valparaiso Chile ◊ Dubai UAE
Trusted Since 1985
 
   
PM&I World Wide Community Service  PM&I Partial Client List
  
Pacific Marine & Industrial is
a registered service mark of:
  
Quality Pacific Manufacturing, Inc.
Copyright 1985-2025
 All Rights Reserved - V3