Pacific Marine & Industrial Logo
Pacific Marine & Industrial®       
Manufacturing & Global Distribution: Marine, Industrial & Defense
 
Info@PacificMarine.net ◊ EnEspanol@PacificMarine.net      
 
 
How PM&I Can Help Prevent Delays
  
Free Classified Equipment Ads: Global & Comprehensive
   
Purchase ONLINE Select Products Only
  
 

Hannay Industrial Hose Reel

Series 3000 Industrial Hose Reel

Series 3000 Industrial Hose Reel
Series 3000 Industrial Hose Reel 
For 3/4 or 1 Inch ID Hose 

Manual Rewind

Up to 2000 psi and 250 F Temp 

   

Information Required to Quote Hose or Cable Reels

   

Purchase ONLINE Select Stock Hose and Cable Reels

    

Hose and Line Reel Color Choices

   

• Economical manual rewind reels for long lengths of hose.

• Choose disc rewind or removable direct crank rewind.

• Supplied with spring-actuated pin lock.

• Standard inlet 90° ball bearing swivel joint 1" female NPT threads.

• Standard outlet 1" female NPT thread.

• Optional bronze or aluminum swivel joint and stainless steel hub assembly and riser, are available

Optional Rollers may be purchased.

• Pressures to 2000 psi (138 bar).

• Temperatures from -60° F to +250° F (-51° C to +121° C).

• Consult PM&I for other pressures & temps.

   
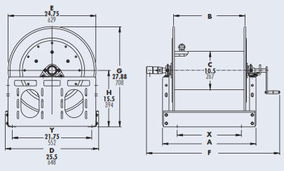
Series 3000 Industrail Hose Reel Drawing
   
Series 3000 Industrial Hose Reel Chart
   
Series 3000 Industrial Hose Reel Notes
   

Home ] Up ] Hannay N500 High Pressure Heavy Duty Industrial Hose Reel ] Hannay N600 Dual Heavy Duty Industrial Hose Reel ] Hannay 600 Series Dual Heavy Duty Industrial Hose Reel ] Hannay N700 Heavy Duty Industrial Hose Reel ] Hannay 700 Series Heavy Duty Industrial Hose Reel ] Hannay N800 Heavy Duty Industrial Hose Reel ] Hannay 800 Series Heavy Duty Industrial Hose Reel ] Hannay 900 Series Heavy Duty Industrial Hose Reel ] Hannay AG Series Heavy Duty Industrial Hose Reel ] Hannay 1000 Series Heavy Duty Industrial Hose Reel ] Hannay 1500 Series Heavy Duty Industrial Hose Reel ] Hannay 1800 Series Heavy Duty Industrial Hose Reel ] Hannay 2000 Series Heavy Duty Industrial Hose Reel ] Hannay G2000 Series Heavy Duty Industrial Hose Reel ] [ Hannay 3000 Series Heavy Duty Industrial Hose Reel ] Hannay 3500 Series Heavy Duty Industrial Hose Reel ] Hannay 4000 Series Heavy Duty Industrial Hose Reel ] Hannay 4100 Series Heavy Duty Industrial Hose Reel ] Hannay 6000 Series Heavy Duty Industrial Hose Reel ] Hannay 7000 Series Heavy Duty Industrial Hose Reel ] Hannay 7500 Series Heavy Duty Industrial Hose Reel ] Hannay 8000 Series Heavy Duty Industrial Hose Reel ] Hannay 9000 Series Heavy Duty Industrial Hose Reel ] Hannay AT1100 and AT1200 Series Portable Heavy Duty Industrial Hose Reel ] Hannay C1150 and ATC1250 Portable Heavy Duty Industrial Hose Reel ] Hannay C1500 Heavy Duty Industrial Storage Reel ] Hannay C3200 Heavy Duty Industrial Storage Reel ]

   
Join PM&I's Email Newsletter List
 
Free Classified Equipment Ads: Global & Comprehensive
  
California ◊ Florida ◊ Shanghai ◊ Germany
Lagos Nigeria ◊ Valparaiso Chile ◊ Dubai UAE
Trusted Since 1985
 
   
PM&I World Wide Community Service  PM&I Partial Client List
  
Pacific Marine & Industrial is
a registered service mark of:
  
Quality Pacific Manufacturing, Inc.
Copyright 1985-2025
 All Rights Reserved - V3