Pacific Marine & Industrial Logo
Pacific Marine & Industrial®       
Manufacturing & Global Distribution: Marine, Industrial & Defense
 
Info@PacificMarine.net ◊ EnEspanol@PacificMarine.net      
 
 
How PM&I Can Help Prevent Delays
  
Free Classified Equipment Ads: Global & Comprehensive
   
Purchase ONLINE Select Products Only
  
 

Hannay Industrial Hose Reel

Series 9000 Industrial Hose Reel 

Series 9000 Industrial Hose Reel
Series 9000 Industrial Hose Reel 
For 2 through 3 Inch ID Hose
Manual or Power Rewind
Up to 300 psi and 225 F Temp    

   

Information Required to Quote Hose or Cable Reels

   

Purchase ONLINE Select Stock Hose and Cable Reels

    

Hose and Line Reel Color Choices

   

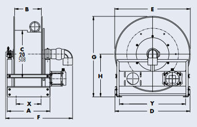
• Heavy-duty reel designed for longer lengths and larger diameters of hose through 3" I.D.

• Choose gear-driven crank rewind or chain and sprocket drive powered by an electric, hydraulic or compressed air motor.

• Crank rewind reels supplied with a pinion brake power rewind reels with a comet brake.

• Standard inlet 90° ball bearing swivel joint 3" female NPT threads.

• Standard outlet flanged riser 3" female NPT threads.

• Standard, outlet riser and hub assembly are aluminum with ductile

inlet. Optional bronze or aluminum swivel joint and stainless steel hub assembly and riser are available.

• Rollers may be purchased as accessory items.

• Pressures to 300 psi (21 bar).

• Temperatures from -20° F to +225° F (-29° C to +107° C).

• Consult PM&I for other pressures & temps.

   

For:

• Suction/Discharge (consult factory)

• High Volume Application

• Bulk Transfer

• Chemical Transfer

• Fueling Applications Refer to:

Aviation Catalog

H-0418-AVIA 

Petroleum Catalog

H-0417-FD

   
Series 9000 Industrial Hose Reel Drawing
   
Series 9000 Industrial Hose Reel Chart
    
Series 9000 Industrial Hose Reel Notes
   

Home ] Up ] Hannay N500 High Pressure Heavy Duty Industrial Hose Reel ] Hannay N600 Dual Heavy Duty Industrial Hose Reel ] Hannay 600 Series Dual Heavy Duty Industrial Hose Reel ] Hannay N700 Heavy Duty Industrial Hose Reel ] Hannay 700 Series Heavy Duty Industrial Hose Reel ] Hannay N800 Heavy Duty Industrial Hose Reel ] Hannay 800 Series Heavy Duty Industrial Hose Reel ] Hannay 900 Series Heavy Duty Industrial Hose Reel ] Hannay AG Series Heavy Duty Industrial Hose Reel ] Hannay 1000 Series Heavy Duty Industrial Hose Reel ] Hannay 1500 Series Heavy Duty Industrial Hose Reel ] Hannay 1800 Series Heavy Duty Industrial Hose Reel ] Hannay 2000 Series Heavy Duty Industrial Hose Reel ] Hannay G2000 Series Heavy Duty Industrial Hose Reel ] Hannay 3000 Series Heavy Duty Industrial Hose Reel ] Hannay 3500 Series Heavy Duty Industrial Hose Reel ] Hannay 4000 Series Heavy Duty Industrial Hose Reel ] Hannay 4100 Series Heavy Duty Industrial Hose Reel ] Hannay 6000 Series Heavy Duty Industrial Hose Reel ] Hannay 7000 Series Heavy Duty Industrial Hose Reel ] Hannay 7500 Series Heavy Duty Industrial Hose Reel ] Hannay 8000 Series Heavy Duty Industrial Hose Reel ] [ Hannay 9000 Series Heavy Duty Industrial Hose Reel ] Hannay AT1100 and AT1200 Series Portable Heavy Duty Industrial Hose Reel ] Hannay C1150 and ATC1250 Portable Heavy Duty Industrial Hose Reel ] Hannay C1500 Heavy Duty Industrial Storage Reel ] Hannay C3200 Heavy Duty Industrial Storage Reel ]

   
Join PM&I's Email Newsletter List
 
Free Classified Equipment Ads: Global & Comprehensive
  
California ◊ Florida ◊ Shanghai ◊ Germany
Lagos Nigeria ◊ Valparaiso Chile ◊ Dubai UAE
Trusted Since 1985
 
   
PM&I World Wide Community Service  PM&I Partial Client List
  
Pacific Marine & Industrial is
a registered service mark of:
  
Quality Pacific Manufacturing, Inc.
Copyright 1985-2025
 All Rights Reserved - V3