Pacific Marine & Industrial Logo
Pacific Marine & Industrial®       
Manufacturing & Global Distribution: Marine, Industrial & Defense
 
Info@PacificMarine.net ◊ EnEspanol@PacificMarine.net      
 
 
How PM&I Can Help Prevent Delays
  
Free Classified Equipment Ads: Global & Comprehensive
   
Purchase ONLINE Select Products Only
  
 

Hannay Aviation Fuel Hose Reels

Series 900 Hose Reel

Hannay Aviation Fuel Hose Reel

   

To handle 1-1/4" or 1-1/2" I.D. hose.

Spring Rewind Reels

   

Information Required to Quote Hose or Cable Reels

   

Purchase ONLINE Select Stock Hose and Cable Reels

    

Hose and Line Reel Color Choices

   

Features:

Roll formed channel frame construction.
Non sparking ratchet assembly.
Declutching arbor to prevent damage from reverse winding.

Standard inlet 90° swivel joint 1-1/2" female NPT threads and 2" victaulic groove.

Standard outlet 1-1/2" female NPT threads.
Consult factory for other sizes and/or threads.

Standard inlet, outlet riser, and hub assembly are aluminum for jet fuels.

Pressures to 600 psi (41 bar)
Temperatures from -25° F to +400° F (-32° C to +204° C).
Consult factory for other pressures & temps.
4-way roller assembly.
Constant Tension is available – consult factory.
    
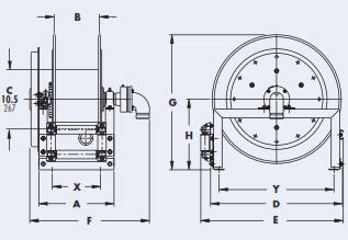
hose reel n900 drawing
    
hose reel series 900 chart
    
hose reel series 900 notes
    
available roller positions
   

Home ] Up ] Hannay Series 1 1/2 Inch Aviation Fuel Hose Reel ] Hannay Series 2 Inch Aviation Fuel Hose Reel ] Hannay Series 3 Inch Aviation Fuel Hose Reel ] Hannay Series 4 Inch Aviation Fuel Hose Reel ] Hannay Series 5000 Aviation Fuel Hose Reel ] Hannay Series N600 Aviation Fuel Hose Reel ] [ Hannay Series 900 Aviation Fuel Hose Reel ] Hannay Static Grounding Line Reel ]

   
Join PM&I's Email Newsletter List
 
Free Classified Equipment Ads: Global & Comprehensive
  
California ◊ Florida ◊ Shanghai ◊ Germany
Lagos Nigeria ◊ Valparaiso Chile ◊ Dubai UAE
Trusted Since 1985
 
   
PM&I World Wide Community Service  PM&I Partial Client List
  
Pacific Marine & Industrial is
a registered service mark of:
  
Quality Pacific Manufacturing, Inc.
Copyright 1985-2025
 All Rights Reserved - V3