Pacific Marine & Industrial Logo
Pacific Marine & Industrial®       
Manufacturing & Global Distribution: Marine, Industrial & Defense
 
Info@PacificMarine.net ◊ EnEspanol@PacificMarine.net      
 
 
How PM&I Can Help Prevent Delays
  
Free Classified Equipment Ads: Global & Comprehensive
   
Purchase ONLINE Select Products Only
  
 

Hannay Aviation Fuel Hose Reels

Series 5000 Hose Reel

Hannay Aviation Fuel Hose Reel

    

To handle single 1-1/2" I.D. through 3" I.D. hose.

Single Wrap Power Rewind Reels

   

Information Required to Quote Hose or Cable Reels

   

Purchase ONLINE Select Stock Hose and Cable Reels

    

Hose and Line Reel Color Choices

   

Features:

Effortless and fast rewinding, wrapping, guiding of hose.

Chain and sprocket drive powered by electric, hydraulic, or compressed air motor.

Auxiliary crank rewind, optional.
12 volt rewind, comet brake, reduction unit standard.
Air brake optional.
 Inlet, hub assembly is aluminum and/or stainless steel for jet fuel.
Consult factory for other pressures & temps.
   
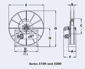
SERIES 5100

90° ball bearing swivel joint 1-1/2" female NPT threads, 2" victaulic groove, flanged riser with 1-1/2" female NPT threads.

Pressures to 600 psi (41 bar).
Temperatures from -40° F to +175° F (-40° C to +79° C).
   
SERIES 5200

90° ball bearing swivel joint 2" victaulic groove, flanged riser with 2" female NPT threads.

Pressures to 150 psi (10 bar).
Temperatures from -20° F to +225° F (-29° C to +107° C).
   
SERIES 5300

 I-hub straight 3" victaulic groove inlet, flanged riser with 3" female NPT threads.

Pressures to 150 psi (10 bar).
Temperatures from -20° F to +225° F (-29° C to +107° C).

Optional 90° ball bearing alum swivel joint 3" victaulic groove, flanged riser with 3" female NPT threads.

Optional I-hub joints are available in:

3" straight flanged

3" 90° flanged

3" straight victaulic

3" 90° victaulic

   
hose reel series 5100 and 5200 drawing  hose reel series 5300 drawing
   
hose reel series 5000 chart
   
hose reel series 5000 notes
    

Home ] Up ] Hannay Series 1 1/2 Inch Aviation Fuel Hose Reel ] Hannay Series 2 Inch Aviation Fuel Hose Reel ] Hannay Series 3 Inch Aviation Fuel Hose Reel ] Hannay Series 4 Inch Aviation Fuel Hose Reel ] [ Hannay Series 5000 Aviation Fuel Hose Reel ] Hannay Series N600 Aviation Fuel Hose Reel ] Hannay Series 900 Aviation Fuel Hose Reel ] Hannay Static Grounding Line Reel ]

   
Join PM&I's Email Newsletter List
 
Free Classified Equipment Ads: Global & Comprehensive
  
California ◊ Florida ◊ Shanghai ◊ Germany
Lagos Nigeria ◊ Valparaiso Chile ◊ Dubai UAE
Trusted Since 1985
 
   
PM&I World Wide Community Service  PM&I Partial Client List
  
Pacific Marine & Industrial is
a registered service mark of:
  
Quality Pacific Manufacturing, Inc.
Copyright 1985-2025
 All Rights Reserved - V3