Pacific Marine & Industrial Logo
Pacific Marine & Industrial®       
Manufacturing & Global Distribution: Marine, Industrial & Defense
 
Info@PacificMarine.net ◊ EnEspanol@PacificMarine.net      
 
 
How PM&I Can Help Prevent Delays
  
Free Classified Equipment Ads: Global & Comprehensive
   
Purchase ONLINE Select Products Only
  
 

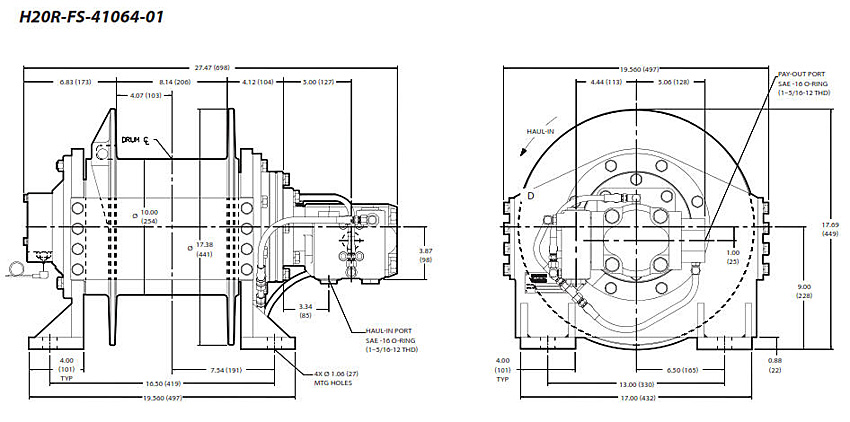
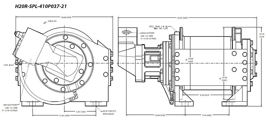
Braden Winch H20R Series

Planetary Gear Recovery Winches
H20R Series

Our planetary gear recovery winches are a high performance product designed to provide many years of service. 

  

Braden Winch H20R Sales Flyer

   

Purchase ONLINE Selected Braden Winch from Stock

    

Information Needed to Quote Hydraulic Hoist and Hydraulic Winches

  

How to Size a Winch or Hoist

   

Braden Winch Serial Number Location

   

Standard Features:

Easy & efficient installation procedures

Band brake controls back-spinning and bird-nesting of wire rope when clutch is disengaged

Visible freespool clutch with negative draft jaws for positive engagement under load

Patented brake valve for smooth and precise load control

  

Optional Features:

Motor size

Drum size

3 roller fairlead on -01 drum

Hydraulic freespool

 

Model

Type

Rated Capacity

Weight

H20R

Hyd.

20,000 lbs (3,636 kg)

515 lbs (233 kg)

  

Below models represent only a small number of gearbox, motor and drum size configurations.
Contact PM&I for complete product information including sizing your new winch: info@pacificmarine.net

Performance and dimensions may have changed.  Be sure to review prior to purchase.

 

 

  

  

  

Other Related Products:


  

hydraulic winches and hoists

electric winches and hoists

Light Industrial Pneumatic Winch and Hoist

Hand Winch and Hand Hoist

ship mooring winches

Hydraulic Winch & Hoist

Electric Winch & Hoist

Pneumatic Winch & Hoist

Hand Winches & Hoist

Ship Mooring Winches

    

Winches and Hoists: Chain Hoists

Industrial Marine Capstan

I beam crane hoist

David Crane Hoist

Marine Quick Release Hook with Capstan

Chain Hoists & Trolley

Marine Capstans

I Beam Crane Hoists 

Davit Cranes 

Quick Release Hooks

  


Home ] Up ] [ Braden Winch H20R Series ] Braden Winch HP35 Series ] Braden Winch HP50 Series ] Braden Winch H55R Series ] Braden Winch HP65 Series ] Braden Winch HP70 Series ] Braden Winch HP75 Series ] Braden Winch HP80 Series ] Braden Winch HP100 Series ] Braden Winch HP125 Series ] Braden Winch HP130 Series ] Braden Winch HP160 Series ]

   
Join PM&I's Email Newsletter List
 
Free Classified Equipment Ads: Global & Comprehensive
  
California ◊ Florida ◊ Shanghai ◊ Germany
Lagos Nigeria ◊ Valparaiso Chile ◊ Dubai UAE
Trusted Since 1985
 
   
PM&I World Wide Community Service  PM&I Partial Client List
  
Pacific Marine & Industrial is
a registered service mark of:
  
Quality Pacific Manufacturing, Inc.
Copyright 1985-2025
 All Rights Reserved - V3