Pacific Marine & Industrial Logo
Pacific Marine & Industrial®       
Manufacturing & Global Distribution: Marine, Industrial & Defense
 
Info@PacificMarine.net ◊ EnEspanol@PacificMarine.net      
 
 
How PM&I Can Help Prevent Delays
  
Free Classified Equipment Ads: Global & Comprehensive
   
Purchase ONLINE Select Products Only
  
 

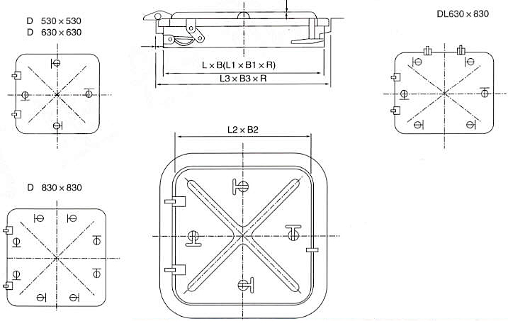
Flush Weathertight Steel Hatch Type D

Flush and Dog Securing - Open From Either Side

Weathertight Steel Hatch Cover Flush

  

Type D

Dog Securing Mechanism

Open From Either Side

Square

Hinged On Side as Needed (Long or Short)

Spring or Weight Open Assisted

Class Society Approval on Request

   

Modifications and Other Sizes Possible

  

Hinge Position:

Hinge On Equal Side: D

Hinge on Short Side: DS

Hinge on Long Side: DL

 

Flush Weathertight Steel Hatch Type D

  

Flush Weathertight Steel Hatch Type D

  


Home ] Up ] Steel Manhole and Tank Covers ] Weathertight Steel Hatch A - Wing Nut Secured ] Weathertight Steel Hatch B - Dog Secured ] Weathertight Steel Hatch C - Quick Acting ] [ Weathertight Steel Hatch D - Flush & Dogged ] Non Weathertight Steel Hatch E - Wing Nut Secured ] Non Weathertight Steel Hatch  F - Dogged Secured ] Steel Oil Tight Rotating Hatches ] Flush Emergency Escape Hatch ]

   
Join PM&I's Email Newsletter List
 
Free Classified Equipment Ads: Global & Comprehensive
  
California ◊ Florida ◊ Shanghai ◊ Germany
Lagos Nigeria ◊ Valparaiso Chile ◊ Dubai UAE
Trusted Since 1985
 
   
PM&I World Wide Community Service  PM&I Partial Client List
  
Pacific Marine & Industrial is
a registered service mark of:
  
Quality Pacific Manufacturing, Inc.
Copyright 1985-2025
 All Rights Reserved - V3