Pacific Marine & Industrial Logo
Pacific Marine & Industrial®       
Manufacturing & Global Distribution: Marine, Industrial & Defense
 
Info@PacificMarine.net ◊ EnEspanol@PacificMarine.net      
 
 
How PM&I Can Help Prevent Delays
  
Free Classified Equipment Ads: Global & Comprehensive
   
Purchase ONLINE Select Products Only
  
 

Hannay Sewer Hydro Jetting Hose Reel

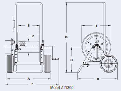
AT1300 Portable Wheeled Cable Reel

portable cable reel AT1300

AT1300 Portable Wheeled Cable Reel

For Video Pipeline Inspection

Direct Crank Rewind

 

Information Required to Quote Hose or Cable Reels

   

Purchase ONLINE Select Stock Hose and Cable Reels

    

Hose and Line Reel Color Choices

   

• Direct crank rewind reel.

• Adjustable Cam-lock drag brake.

• 3 conductor 45 amp collector ring is standard.

• 6-foot power source lead of 10/3 cable.

• 15 amp 3-prong straight blade (twist lock optional).

• Additional conductors available, consult factory.

• Direct offset rewind crank.

• Folding handle available for compact storage.

   
AT1300 portable pumper cleaner hose reel drawing
   
AT1300 Portable Pumper Cleaner Hose Reel Chart
   
AT1300 Portable Pumper Cleaner Hose Reel Notes
   

Home ] Up ] Hannay N700 Sewge Hydro Jetting Hose Reels ] Hannay 1500 Sewge Hydro Jetting Hose Reels ] Hannay PW-2 Sewge Hydro Jetting Hose Reels ] Hannay AT1100 and AT1200 Portable Sewage Jetting Hose Reel ] Hannay 6000 Sewge Hydro Jetting Hose Reels ] Hannay 6100 Sewge Hydro Jetting Hose Reels ] Hannay 6200 Sewge Hydro Jetting Hose Reels ] Hannay 6200 Direct Drive Sewage Jetting Hose Reel ] Hannay CR Electric Sewge Hydro Jetting Hose Reels ] Hannay H16-14-16 Sewge Hydro Jetting Hose Reels ] [ Hannay AT1300 Portable Sewge Hydro Jetting Hose Reels ] Hannay HG Series Hose Guide ]

   
Join PM&I's Email Newsletter List
 
Free Classified Equipment Ads: Global & Comprehensive
  
California ◊ Florida ◊ Shanghai ◊ Germany
Lagos Nigeria ◊ Valparaiso Chile ◊ Dubai UAE
Trusted Since 1985
 
   
PM&I World Wide Community Service  PM&I Partial Client List
  
Pacific Marine & Industrial is
a registered service mark of:
  
Quality Pacific Manufacturing, Inc.
Copyright 1985-2025
 All Rights Reserved - V3