Pacific Marine & Industrial Logo
Pacific Marine & Industrial®       
Manufacturing & Global Distribution: Marine, Industrial & Defense
 
Info@PacificMarine.net ◊ EnEspanol@PacificMarine.net      
 
 
How PM&I Can Help Prevent Delays
  
Free Classified Equipment Ads: Global & Comprehensive
   
Purchase ONLINE Select Products Only
  
 

Hannay Sewer Hydro Jetting Hose Reel

Series 1500 Pumper Cleaner Hose Reel

Series 1500 Pumper Cleaner Hose Reels

Series 1500 Pumper Cleaner Reel

  To Handle 1/4 through 5/8 Inch ID Hose

Up to 3000 psi and 400 Degrees F

Manual or Power Rewind

 

Information Required to Quote Hose or Cable Reels

   

Purchase ONLINE Select Stock Hose and Cable Reels

    

Hose and Line Reel Color Choices

   

Lightweight compact reels designed for long lengths of hose in manual and power rewind.

• Direct crank rewind is permanently attached.

• Chain and sprocket drive powered by electric, hydraulic, or compressed air motor.

• Manual reels include: cam-lock drag brake, spring actuated pin lock.

• Standard inlet 90° ball bearing swivel joint 1/2" female NPT threads.

• Standard outlet 1/2" female NPT threads.

• Optional Rollers: Specify roller position when ordering.

• Pressures to 3000 psi (207 bar)

• Temperatures from +20° F to +400° F (-7° C to +204° C).

• Consult PM&I for other pressures & temps.

    
Hose Guide for Series 1500 Hose Reels
     
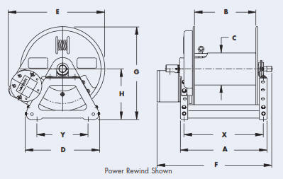
Pumper Cleaner Hose Reel Series 1500 - Drawing
    
Pumper Cleaner Hose Reel Series 1500 Chart
   
Pumper Cleaner Hose Reel Series 1500 Notes
    

Home ] Up ] Hannay N700 Sewge Hydro Jetting Hose Reels ] [ Hannay 1500 Sewge Hydro Jetting Hose Reels ] Hannay PW-2 Sewge Hydro Jetting Hose Reels ] Hannay AT1100 and AT1200 Portable Sewage Jetting Hose Reel ] Hannay 6000 Sewge Hydro Jetting Hose Reels ] Hannay 6100 Sewge Hydro Jetting Hose Reels ] Hannay 6200 Sewge Hydro Jetting Hose Reels ] Hannay 6200 Direct Drive Sewage Jetting Hose Reel ] Hannay CR Electric Sewge Hydro Jetting Hose Reels ] Hannay H16-14-16 Sewge Hydro Jetting Hose Reels ] Hannay AT1300 Portable Sewge Hydro Jetting Hose Reels ] Hannay HG Series Hose Guide ]

   
Join PM&I's Email Newsletter List
 
Free Classified Equipment Ads: Global & Comprehensive
  
California ◊ Florida ◊ Shanghai ◊ Germany
Lagos Nigeria ◊ Valparaiso Chile ◊ Dubai UAE
Trusted Since 1985
 
   
PM&I World Wide Community Service  PM&I Partial Client List
  
Pacific Marine & Industrial is
a registered service mark of:
  
Quality Pacific Manufacturing, Inc.
Copyright 1985-2025
 All Rights Reserved - V3