Pacific Marine & Industrial Logo
Pacific Marine & Industrial®       
Manufacturing & Global Distribution: Marine, Industrial & Defense
 
Info@PacificMarine.net ◊ EnEspanol@PacificMarine.net      
 
 
How PM&I Can Help Prevent Delays
  
Free Classified Equipment Ads: Global & Comprehensive
   
Purchase ONLINE Select Products Only
  
 

Hannay Fire Hose Reel

FF Series Fire Hose Reel

FF Series Booster Hose Reel - Fire Hose Reel 
FF Series Fire Fighting Hose Reel 
For 1 1/4 or 1 1/2 Booster Hose OR
1 1/2 or 1 3/4 Collapsible Hose 
Crank or Powered Rewind

  

Information Required to Quote Hose or Cable Reels

   

Purchase ONLINE Select Stock Hose and Cable Reels

    

Hose and Line Reel Color Choices

   
Features:

FOR LARGE BOOSTER HOSE OR PRECONNECTED COLLAPSIBLE HOSE

To handle 1-1/4" I.D. or 1-1/2" I.D. booster hose or

1-1/2" I.D. or 1-3/4" I.D. collapsible hose.

• Accommodate large diameter booster hose or preconnected collapsible hose.

• Flanged outlet riser.

• All models are available in aluminum or stainless steel construction.

• Gear-driven crank rewind is standard. Choose chain and sprocket drive powered by electric, hydraulic or compressed air motor.

• Pinion brake standard.

• Standard inlet 1-1/2" 90° ball bearing swivel joint with 1-1/2" female NPT threads and 2" victaulic groove.

• Standard outlet 1-1/2" male NST threads.  (1.990" x 9 threads per inch.)

• Consult factory for other sizes and/or threads.

• Standard inlet, outlet riser and hub assembly are steel (also available in stainless steel).

• Rollers and roller mounting brackets are accessory items. Specify roller position.

• Pressures to 600 psi (41 bar)

• Temperatures from –60°F to +175°F (–51°C to +79°C).

• Consult factory for other pressures and temperatures.

CAUTION: When using Niedner Reeltex hose a special riser and/or larger drum diameter is required.

 
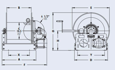
Fire Fighting Hose Reel FF Series Drawing
   
Fire Fighting Hose Reel FF Series Chart
  
Fire Fighting Hose Reel FF Series Notes
 

Home ] Up ] Hannay F4000 Fire Hose Reel ] Hannay F4100 Fire Hose Reel ] Hannay F4100 Fire Hose Reel ] Hannay SF Series Fire Hose Reel ] Hannay F and FF Series Twin Convert Kit ] Hannay 7100 and 7200 Dual Agent Fire Hose Reel ] Hannay 3100 and 3600 Fire Hose Reel ] [ Hannay FF Series Fire Hose Reel ] Hannay LD Series Fire Hose Reel ]

   
Join PM&I's Email Newsletter List
 
Free Classified Equipment Ads: Global & Comprehensive
  
California ◊ Florida ◊ Shanghai ◊ Germany
Lagos Nigeria ◊ Valparaiso Chile ◊ Dubai UAE
Trusted Since 1985
 
   
PM&I World Wide Community Service  PM&I Partial Client List
  
Pacific Marine & Industrial is
a registered service mark of:
  
Quality Pacific Manufacturing, Inc.
Copyright 1985-2025
 All Rights Reserved - V3