Pacific Marine & Industrial Logo
Pacific Marine & Industrial®       
Manufacturing & Global Distribution: Marine, Industrial & Defense
 
Info@PacificMarine.net ◊ EnEspanol@PacificMarine.net      
 
 
How PM&I Can Help Prevent Delays
  
Free Classified Equipment Ads: Global & Comprehensive
   
Purchase ONLINE Select Products Only
  
 

Hannay Fire Hose Reel

F4000 Fire Hose Reel

f4000 fire fighting hose reel

  

Features:

To handle single 3/4" I.D. or 1" I.D. hose.

• Choose direct crank rewind (removable) or chain and sprocket drive powered by electric, hydraulic or compressed air motor.

• Power rewind supplied with comet brake.

• Direct crank rewind supplied with cam-lock brake.

• Standard inlet 90° ball bearing swivel joint with 1" female NPT threads.

• Standard outlet 1" male NST threads (1.375" x 8 threads per inch).

• Consult factory for other sizes and/or threads.

• Standard inlet, outlet riser and hub assembly are steel (also available in stainless steel).

• Rollers and roller mounting brackets are accessory items. Specify roller position.

• Pressures to 1000 psi (69 bar).

• Temps from –60°F to +250°F (51°C to +121°C).

• Consult factory for other pressures and temperatures.

CAUTION: F4000/4100 series reels not recommended for use with Niedner Reeltex hose.

   

Information Required to Quote Hose or Cable Reels

   

Purchase ONLINE Select Stock Hose and Cable Reels

    

Hose and Line Reel Color Choices

   
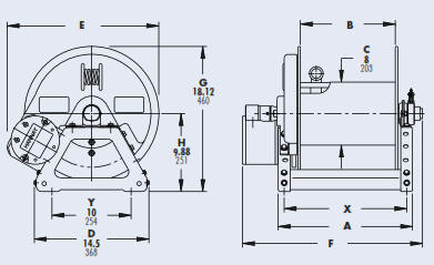
F4000 Fire Fighting Hose Reel Drawing
   
F4000 Fire Fighting Hose Reel Chart
   
F4000 Fire Fighting Hose Reel Notes
  

Home ] Up ] [ Hannay F4000 Fire Hose Reel ] Hannay F4100 Fire Hose Reel ] Hannay F4100 Fire Hose Reel ] Hannay SF Series Fire Hose Reel ] Hannay F and FF Series Twin Convert Kit ] Hannay 7100 and 7200 Dual Agent Fire Hose Reel ] Hannay 3100 and 3600 Fire Hose Reel ] Hannay FF Series Fire Hose Reel ] Hannay LD Series Fire Hose Reel ]

   
Join PM&I's Email Newsletter List
 
Free Classified Equipment Ads: Global & Comprehensive
  
California ◊ Florida ◊ Shanghai ◊ Germany
Lagos Nigeria ◊ Valparaiso Chile ◊ Dubai UAE
Trusted Since 1985
 
   
PM&I World Wide Community Service  PM&I Partial Client List
  
Pacific Marine & Industrial is
a registered service mark of:
  
Quality Pacific Manufacturing, Inc.
Copyright 1985-2025
 All Rights Reserved - V3