Pacific Marine & Industrial Logo
Pacific Marine & Industrial®       
Manufacturing & Global Distribution: Marine, Industrial & Defense
 
Info@PacificMarine.net ◊ EnEspanol@PacificMarine.net      
 
 
How PM&I Can Help Prevent Delays
  
Free Classified Equipment Ads: Global & Comprehensive
   
Purchase ONLINE Select Products Only
  
 

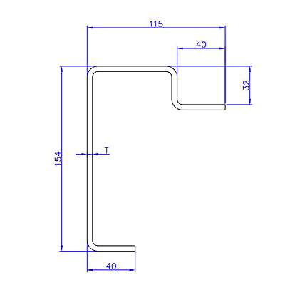
Shipping Container Front Bottom Rail

Shipping Container Parts

Shipping Container Front Bottom Rail

 

   

Shipping Container Exploded View Diagram with Part Numbers

  

Purchase Online Small Quantities of Select ISO Shipping Container Parts

  

Shipping Container Parts FULL Catalog - ISO Dry Containers

   

Shipping Container Parts FULL Catalog - ISO Reefer Containers

 

ISO Tank Container Parts List 

    

Shipping Container Repair Manual

   

 

Front Bottom Rail

PMI-D11-01

4.5X115X154X2400

PMI-D11-01-11

4.5X115X154X2400

   
Shipping Container Front Bottom Rail
   

Other Related Products


container twistlock

Container Lifting Spreader Frame: Automatic: 20 or 40 Foot

new shipping container for sale - freight containers

Shipping Container Casters - Shipping Container Dolly Wheels

Container Securing Products

Container Lifting Spreaders

Containers For Sale

Container Caster Wheels

   

Home ] Up ] Shipping Container Front Corner Posts ] Shipping Container Rear Corner Post ] Shipping Container Cross Memebers ] Shipping Container Top Side Rail ] Shipping Container Bottom Side Rail ] Shipping Container Door Sill ] Shipping Container C and V Channel ] [ Shipping Container Front Bottom Rail ] Shipping Container Top End Rail ] Shipping Container Door Header Upper and Lower ] Shipping Container Door Rail and Floor Spacer ] Shipping Container Angle ] Shipping Container End Rails and Door Edge Member ]

   
Join PM&I's Email Newsletter List
 
Free Classified Equipment Ads: Global & Comprehensive
  
California ◊ Florida ◊ Shanghai ◊ Germany
Lagos Nigeria ◊ Valparaiso Chile ◊ Dubai UAE
Trusted Since 1985
 
   
PM&I World Wide Community Service  PM&I Partial Client List
  
Pacific Marine & Industrial is
a registered service mark of:
  
Quality Pacific Manufacturing, Inc.
Copyright 1985-2025
 All Rights Reserved - V3