Pacific Marine & Industrial Logo
Pacific Marine & Industrial®       
Manufacturing & Global Distribution: Marine, Industrial & Defense
 
Info@PacificMarine.net ◊ EnEspanol@PacificMarine.net      
 
 
How PM&I Can Help Prevent Delays
  
Free Classified Equipment Ads: Global & Comprehensive
   
Purchase ONLINE Select Products Only
  
 

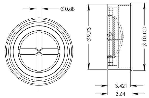
Navy & NATO Navy Aircraft Tie Downs

ALCOA Flight Deck Tie Down Assembly 05003554 Substitute

For PK-T50 USN Decking on LCS Type Ships

NSN 473020259M243

ALCOA Flight Deck Tie Down Assembly 05003554 Substitute

  

Helicopter or Aircraft Tie Down

Primarily US and Other NATO Navy Application

  

For Installation Into PK-T50 Decking on USN and Other Nato Ships
   
ALCOA Flight Deck Tie Down Assembly 05003554 Substitute
   

For quotations please provide:

Quantity Needed

Part Number

 

See Concrete Embedded Tie Downs Here

 

Home ] Up ] Type XIV US Navy Aircraft Tie Down - NAVSEA 803-1916300 - NSN 5365-01-646-0939 ] Type XVIII  US Navy Aircraft Tie Down - NAVSEA 803-1916300 ] [ ALCOA Flight Deck Tie Down Assembly Substitute - 05003554 ] Type VII  US Navy Ballistic Deck Aircraft Tie Down - NSN 1730-01683-0506 ]

   
Join PM&I's Email Newsletter List
 
Free Classified Equipment Ads: Global & Comprehensive
  
California ◊ Florida ◊ Shanghai ◊ Germany
Lagos Nigeria ◊ Valparaiso Chile ◊ Dubai UAE
Trusted Since 1985
 
   
PM&I World Wide Community Service  PM&I Partial Client List
  
Pacific Marine & Industrial is
a registered service mark of:
  
Quality Pacific Manufacturing, Inc.
Copyright 1985-2025
 All Rights Reserved - V3