Pacific Marine & Industrial Logo
Pacific Marine & Industrial®       
Manufacturing & Global Distribution: Marine, Industrial & Defense
 
Info@PacificMarine.net ◊ EnEspanol@PacificMarine.net      
 
 
How PM&I Can Help Prevent Delays
  
Free Classified Equipment Ads: Global & Comprehensive
   
Purchase ONLINE Select Products Only
  
 

Johnson Duramax Marine Cutless

(Cutlass) Bearings

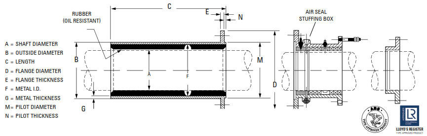
Forward Stern Tube Flanged

Propeller Bearings

Johnson Duramax Marine Cutless Bearings

  

Johnson Duramax Marine Cutless Bearings

   

How to Install or Modify a Cutless Propeller Shaft Bearing

  

Clearance and Replacement Guidelines for Cutless Propeller Shaft Bearings

  

Hole Drilling Diagram for Flange on Flanged Propeller Bearings

   

How to Choose A Propeller or Rudder Shaft Bearing and the Differences Between Bearing Types

   

Johnson Duramax Marine Cutless Bearings

  

Forward Stern Tube Flanged Propeller Bearings
    

Home ] Up ] Johnson Duramax Marine Cutless Bearings - Metallic Inch Sizes ] Johnson Duramax Marine Cutless Bearings - Metallic Metric Sizes ] Johnson Duramax Marine Cutless Bearings - Non Metallic Inch Sizes ] Johnson Duramax Marine Cutless Bearings - Non Metallic Metric Sizes ] Johnson Duramax Marine Cutless Bearings - Flanged Strut or Aft Stern Tube ] [ Johnson Duramax Marine Cutless Bearings - Flanged Forward Stern Tube ] Johnson Duramax Marine Cutless Bearings - Split Forward Stern Tube Flanged ] Johnson Duramax Marine Cutless Bearings - Spit Strut or Aft Stern Tube Flanged ] Johnson Duramax Marine Cutless Bearings - Flange Hole Drilling Diagrams ] Johnson Duramax Marine Cutless Bearings - How to Install or Modify a Cutless Bearing ] Johnson Duramax Marine Cutless Bearings - Cutless Bearing Clearances and Replacement Guidelines ]

   
Join PM&I's Email Newsletter List
 
Free Classified Equipment Ads: Global & Comprehensive
  
California ◊ Florida ◊ Shanghai ◊ Germany
Lagos Nigeria ◊ Valparaiso Chile ◊ Dubai UAE
Trusted Since 1985
 
   
PM&I World Wide Community Service  PM&I Partial Client List
  
Pacific Marine & Industrial is
a registered service mark of:
  
Quality Pacific Manufacturing, Inc.
Copyright 1985-2025
 All Rights Reserved - V3