Pacific Marine & Industrial Logo
Pacific Marine & Industrial®       
Manufacturing & Global Distribution: Marine, Industrial & Defense
 
Info@PacificMarine.net ◊ EnEspanol@PacificMarine.net      
 
 
How PM&I Can Help Prevent Delays
  
Free Classified Equipment Ads: Global & Comprehensive
   
Purchase ONLINE Select Products Only
  
 

Sewer Hydro Jetting Hose Reel

N700 Pumper Cleaner Hose Reel

Series N700 Pumper Cleaner Reel

Series N700 Pumper Cleaner Reel

To Handle 1/4 through 1/2 Inch ID Hose

Up to 3000 psi and 250 Degrees F

Spring Rewind

 

Information Required to Quote Hose or Cable Reels

   

Purchase ONLINE Select Stock Hose and Cable Reels

    

Hose and Line Reel Color Choices

   

• Standard N Series has a narrow frame and compact mounting base.

• Non sparking ratchet assembly.

• Declutching arbor to prevent damage from reverse winding.

• Standard inlet 90° balanced pressure swivel joint 1/2"  female NPT threads.

• Standard outlet 1/2" female NPT threads.

• Standard Pressures to 3000 psi (207 bar) (available up to 10,000 psi 690 bar).

• Temperatures from -60° F to +250° F (-51° C to +121° C).

• Consult factory for other pressures & temps.

• 4-way roller assembly.

• Constant Tension is available – consult PM&I

   
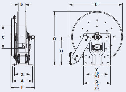
N700 Pumper Cleaner Hose Reel - Drawing
    
N700 Pumper Cleaner Hose Reel- Chart
   
N700 Pumper Cleaner Hose Reel - Notes
 

Home ] Up ] [ N700 Sewge Hydro Jetting Hose Reels ] 1500 Sewge Hydro Jetting Hose Reels ] PW-2 Sewge Hydro Jetting Hose Reels ] AT1100 and AT1200 Portable Sewage Jetting Hose Reel ] 6000 Sewge Hydro Jetting Hose Reels ] 6100 Sewge Hydro Jetting Hose Reels ] 6200 Sewge Hydro Jetting Hose Reels ] 6200 Direct Drive Sewage Jetting Hose Reel ] CR Electric Sewge Hydro Jetting Hose Reels ] H16-14-16 Sewge Hydro Jetting Hose Reels ] AT1300 Portable Sewge Hydro Jetting Hose Reels ] HG Series Hose Guide ]

   
Join PM&I's Email Newsletter List
 
Free Classified Equipment Ads: Global & Comprehensive
  
California ◊ Florida ◊ Shanghai ◊ Germany
Lagos Nigeria ◊ Valparaiso Chile ◊ Dubai UAE
Trusted Since 1985
 
   
PM&I World Wide Community Service  PM&I Partial Client List
  
Pacific Marine & Industrial is
a registered service mark of:
  
Quality Pacific Manufacturing, Inc.
Copyright 1985-2025
 All Rights Reserved - V3