Pacific Marine & Industrial Logo
Pacific Marine & Industrial®       
Manufacturing & Global Distribution: Marine, Industrial & Defense
 
Info@PacificMarine.net ◊ EnEspanol@PacificMarine.net      
 
 
How PM&I Can Help Prevent Delays
  
Free Classified Equipment Ads: Global & Comprehensive
   
Purchase ONLINE Select Products Only
  
 

Aviation Fuel Hose Reels

Series 1 1/2 Inch Hose Reel

Industrial Heavy Duty Hose Reel & Cable Reel

aviation fuel hose reel

  

For Hose Size 1 Inch Through 1 1/2 Inch ID
Manual Or Power Rewind
   

Information Required to Quote Hose or Cable Reels

   

Purchase ONLINE Select Stock Hose and Cable Reels

    

Hose and Line Reel Color Choices

   
Features:

A strong, heavy-duty reel.

Gear-driven crank rewind or chain and sprocket drive powered by an electric, hydraulic or compressed air motor.

Optional auxiliary crank rewind for power rewind reels.

Crank rewind reels supplied with pinion brake and power rewind reels with a comet brake.

90° ball bearing swivel joint with 1-1/2" female NPT threads and 2" victaulic groove.

Flanged riser with 1-1/2" female NPT threads.

Other sizes and/or threads can be furnished and must be specified.

Standard inlet, outlet riser, hub assembly are aluminum for jet fuels.
Stainless steel, at extra cost.
Rollers and roller mounting brackets are accessory items. Specify roller position.
Pressures to 600 psi (41 bar)
Temperatures from -40°F to +175° F (-40° C to +79° C).
Consult factory for other pressures & temps.
Chain guards are available upon request, must be specified.
   
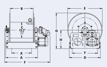
hose reel series 1 1/2 inch drawing
   
hose reel series 1 1/2 inch
   
series 1 1/2 inch hose reel notes 
   

Home ] Up ] [ Series 1 1/2 Inch Aviation Fuel Hose Reel ] Series 2 Inch Aviation Fuel Hose Reel ] Series 3 Inch Aviation Fuel Hose Reel ] Series 4 Inch Aviation Fuel Hose Reel ] Series 5000 Aviation Fuel Hose Reel ] Series N600 Aviation Fuel Dual Hose Reel ] Series 900 Aviation Fuel Hose Reel ] Static Grounding Line Reel ]

   
Join PM&I's Email Newsletter List
 
Free Classified Equipment Ads: Global & Comprehensive
  
California ◊ Florida ◊ Shanghai ◊ Germany
Lagos Nigeria ◊ Valparaiso Chile ◊ Dubai UAE
Trusted Since 1985
 
   
PM&I World Wide Community Service  PM&I Partial Client List
  
Pacific Marine & Industrial is
a registered service mark of:
  
Quality Pacific Manufacturing, Inc.
Copyright 1985-2025
 All Rights Reserved - V3