Pacific Marine & Industrial Logo
Pacific Marine & Industrial®       
Manufacturing & Global Distribution: Marine, Industrial & Defense
 
Info@PacificMarine.net ◊ EnEspanol@PacificMarine.net      
 
 
How PM&I Can Help Prevent Delays
  
Free Classified Equipment Ads: Global & Comprehensive
   
Purchase ONLINE Select Products Only
  
 

SF Series Fire Hose Reel

Industrial Heavy Duty Hose Reel & Cable Reel

SF Series Fire Fighting Hose Reel
SF Series Hose Reel
Single 3/4 or 1 Inch ID Hose
Inboard Mounted Motor
For Booster Hose

 

Information Required to Quote Hose or Cable Reels

   

Purchase ONLINE Select Stock Hose and Cable Reels

    

Hose and Line Reel Color Choices

   
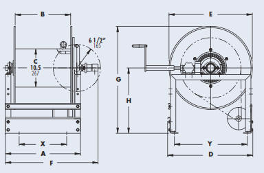
Features:

To handle 3/4" I.D. or 1" I.D. hose.

• Inboard motor location high profile

• All models are available in aluminum or stainless steel construction.

• Gear-driven crank rewind is standard. Choose chain and sprocket drive powered by electric, hydraulic or compressed air motor.

• Pinion brake standard.

• Standard inlet 1" 90° ball bearing swivel joint with 1" female NPT threads.

• Standard outlet 1" male NST threads (1.375" x 8 threads per inch).

• Consult factory for other sizes and/or threads

• Standard inlet, outlet riser and hub assembly are steel (also available in stainless steel).

• Rollers and roller mounting brackets are accessory items.  Specify roller position.

• Pressures to 1000 psi (69 bar)

• Temperatures from –60°F to +250°F (–51°C to+121°C).

• Consult factory for other pressures and temperatures.

CAUTION: When using Niedner Reeltex hose a special riser and/or larger drum diameter is required .

    
Fire Fighting Hose Reel SF Series Drawing
   
Fire Fighting Hose Reel SF Series Chart
 
Fire Fighting Hose Reel SF Series Notes
   

Home ] Up ] F4000 Fire Hose Reel ] F4100 Fire Hose Reel ] F Series Fire Hose Reel ] [ SF Series Fire Hose Reel ] F and FF Series Twin Convert Kit ] 7100 and 7200 Dual Agent Fire Hose Reel ] 3100 and 3600 Fire Hose Reel ] FF Series Fire Hose Reel ] LD Series Fire Hose Reel ]

   
Join PM&I's Email Newsletter List
 
Free Classified Equipment Ads: Global & Comprehensive
  
California ◊ Florida ◊ Shanghai ◊ Germany
Lagos Nigeria ◊ Valparaiso Chile ◊ Dubai UAE
Trusted Since 1985
 
   
PM&I World Wide Community Service  PM&I Partial Client List
  
Pacific Marine & Industrial is
a registered service mark of:
  
Quality Pacific Manufacturing, Inc.
Copyright 1985-2025
 All Rights Reserved - V3