Pacific Marine & Industrial Logo
Pacific Marine & Industrial®       
Manufacturing & Global Distribution: Marine, Industrial & Defense
 
Info@PacificMarine.net ◊ EnEspanol@PacificMarine.net      
 
 
How PM&I Can Help Prevent Delays
  
Free Classified Equipment Ads: Global & Comprehensive
   
Purchase ONLINE Select Products Only
  
 

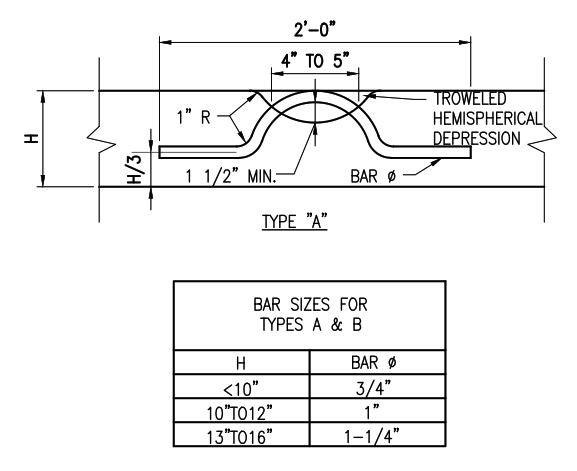
Crinkle Bar Tie Down

Drawing A Type

crinkle bar for aircraft tie down
   
For imbed into concrete
Produced based on project specifications
  
Various Designs Made to Order
  
We can meet any ASTM for material or coating
 
Aircraft Grounding Rods
   
Crinkle Bar - Type A - Aircraft Tie Down
    

Home ] Up ] [ Crinkle Bar Drawing A Type ] Crinkle Bar Drawing B Type ]

   
Join PM&I's Email Newsletter List
 
Free Classified Equipment Ads: Global & Comprehensive
  
California ◊ Florida ◊ Shanghai ◊ Germany
Lagos Nigeria ◊ Valparaiso Chile ◊ Dubai UAE
Trusted Since 1985
 
   
PM&I World Wide Community Service  PM&I Partial Client List
  
Pacific Marine & Industrial is
a registered service mark of:
  
Quality Pacific Manufacturing, Inc.
Copyright 1985-2025
 All Rights Reserved - V3